Procjena rizika kućne vodoopskrbne mreže

Procjena rizika kućne vodoopskrbne mreže

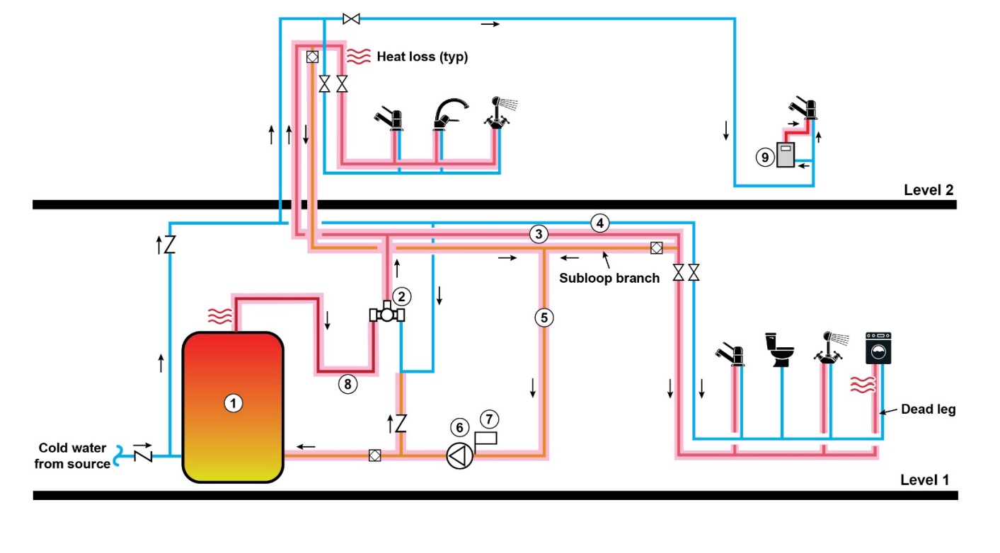
Kućna vodoopskrbna mreža obuhvaća cijevi, opremu i naprave koje se instaliraju između slavina
koje se u normalnim okolnostima rabe za vodu namijenjenu za ljudsku potrošnju u javnim i
privatnim prostorima te vodoopskrbne mreže ako za njih ne odgovara isporučitelj vode u
svojstvu isporučitelja vode; granica razdvajanja vodoopskrbne mreže isporučitelja vode od
kućne vodoopskrbne mreže je službeno mjesto isporuke (priključak).
Voda koju isporučuju isporučitelji vode mora biti zdravstveno ispravna. Međutim, na svom putu
do mjesta isporuke (priključak) kao i nakon njega voda se može onečistiti. Za nesukladnosti koje
se dogode prije priključka, odnosno na javnoj vodoopskrbnoj mreži, odgovoran je isporučitelj
vode dok je za nesukladnosti koje se dogode iza priključka, odnosno u kućnoj vodoopskrbnoj
mreži, odgovoran vlasnik ili upravitelj objekta.
U svim objektima treba održavati kućnu vodoopskrbnu mrežu, a prioritetni objekti imaju
zakonsku obavezu izraditi procjenu rizika za objekt. Procjenom rizika identificiraju se područja
potencijalne kontaminacije kućne mreže, provode i nadziru relevantne kontrolne mjere, a sve s
ciljem sprječavanja i/ili smanjivanja rizika.
Prioritetni objekti su veliki objekti koji nisu kućanstva, s brojnim korisnicima potencijalno
izloženima rizicima povezanima s vodom, osobito veliki objekti za javnu upotrebu, i to: bolnice,
lječilišta, škole i ostale obrazovne ustanove, vrtići, objekti u kojima se obavlja djelatnost
socijalne skrbi za korisnike na smještaju, sportske dvorane, skupina ‘hoteli’, skupina ‘kampovi’,
učenički i studentski domovi, trgovački centri, kaznene ustanove i vojarne.
Praćenje učinkovitosti provedenih mjera uglavnom će moći samostalno provoditi osoblje
zaposleno u pojedinom objektu (npr. rutinske provjere spremnika vode, provjere pumpe,
praćenje temperature) dok će za neke specifične radnje biti potrebno angažirati vanjske
suradnike odnosno ovlaštene laboratorije u slučaju određivanja legionela i olova.